INTRODUCTION TO KLYSTRONS STUDY GUIDE

EEEN 566 - Microwave Engineering

Introduction to Klystrons

A Klystron is a specialized linear-beam vacuum tube used to amplify or generate microwave signals in the range of hundreds of MHz to tens of GHz. Invented by the Varian brothers (Russell and Sigurd) at Stanford University in 1937, the klystron was the first practical device capable of generating significant power at microwave frequencies.

Key Definition: A klystron is a velocity-modulated electron tube that converts the kinetic energy of an electron beam into microwave energy through the process of velocity modulation and subsequent bunching of electrons.

Historical Significance

  • 1937: Invented by Russell and Sigurd Varian at Stanford University
  • World War II: Critical development for radar technology
  • 1948: First high-power klystron developed for linear accelerators
  • Modern Era: Essential for satellite communication, radar, and particle accelerators
Klystron Tube Structure

Figure 1: Basic structure of a two-cavity klystron amplifier showing electron gun, buncher cavity, catcher cavity, and collector

Fundamental Operating Principle

The klystron operates on two fundamental physical principles:

  1. Velocity Modulation: The velocity of electrons in the beam is varied by an RF electric field
  2. Density Modulation (Bunching): Velocity-modulated electrons form bunches due to differences in transit time
Advantages of Klystrons:
  • High power output (up to several megawatts)
  • High efficiency (20-60% depending on type)
  • Low noise figure
  • Excellent frequency stability
  • Long operational lifetime
Limitations:
  • Requires high voltage power supply (several kV)
  • Heavy and bulky due to magnets and cooling systems
  • Limited bandwidth (typically 1-2%)
  • Expensive manufacturing

Theory of Operation

1. Velocity Modulation

When an electron beam passes through the buncher cavity (input cavity), it encounters an alternating electric field created by the input RF signal. This field accelerates or decelerates electrons depending on the phase of the RF cycle:

  • Accelerating Phase: Electrons gain velocity (increase in kinetic energy)
  • Decelerating Phase: Electrons lose velocity (decrease in kinetic energy)
  • Zero Crossing: Electrons pass through unaffected
v = v₀ √(1 + (V₁/V₀) sin(ωt))

Where:
v₀ = DC electron velocity
V₁ = RF voltage amplitude
V₀ = DC beam voltage
ω = angular frequency

2. The Bunching Process

After velocity modulation, electrons enter the drift space (field-free region). Fast electrons catch up with slower ones ahead, while slow electrons fall back toward faster ones behind. This creates electron bunches.

Electron Bunching in Klystron

Figure 2: Electron bunching process showing velocity modulation at the buncher gap and density modulation in the drift space

3. Energy Extraction

The bunched electron beam enters the catcher cavity (output cavity) where the bunches induce an RF current. The catcher cavity is tuned to resonate at the signal frequency, and the induced current drives the output load.

P_out = (I₀² R_sh) / 2 × [2 J₁(X)]²

Where:
I₀ = DC beam current
R_sh = Shunt impedance of catcher cavity
J₁(X) = Bessel function of first kind (bunching parameter)
X = Bunching parameter = (πN V₁)/V₀

4. Bunching Parameter (X)

The bunching parameter determines the degree of bunching:

X = (π × N × V₁) / V₀ = (ω × d × V₁) / (2 × v₀ × V₀)

Where N is the number of cycles in the drift space transit time.

Maximum Power Transfer: Maximum power is transferred when X ≈ 1.84 (where J₁(X) is maximum, approximately 0.582). This corresponds to the optimal bunching condition.

5. Electronic Efficiency

The theoretical maximum electronic efficiency of a two-cavity klystron is:

η_max = 2 × J₁(X) × (V₁/V₀) × 100%

For optimal bunching (X = 1.84), the maximum theoretical efficiency is approximately 58%.

Types of Klystrons

1. Two-Cavity Klystron Amplifier

The simplest form consisting of an electron gun, buncher cavity, drift space, catcher cavity, and collector. Used primarily as a power amplifier.

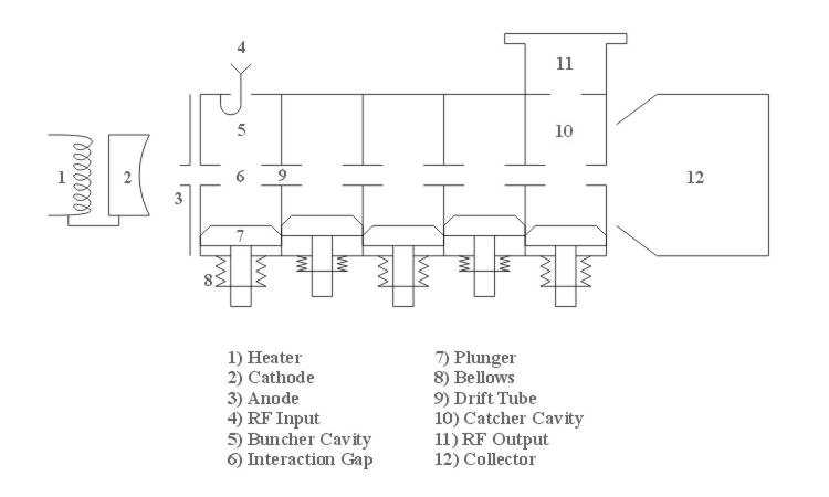
Two Cavity Klystron Layout

Figure 3: Detailed layout of a two-cavity klystron showing heater, cathode, anode, RF input, buncher cavity, drift tube, catcher cavity, and collector

2. Reflex Klystron Oscillator

Uses a single cavity that serves as both buncher and catcher. A repeller electrode (at negative potential) reflects electrons back through the cavity, creating oscillations.

Key Feature: The reflex klystron is a low-power oscillator (10-500 mW) widely used as a local oscillator in microwave receivers and as a signal source in laboratories.
Repeller Voltage: V_r = V₀ × [(n + 3/4) / (n + 1/4)]² - V₀

Where n = 0, 1, 2, ... (mode number)

3. Multi-Cavity Klystron

Contains three or more cavities (typically 3-7) to achieve higher gain (40-60 dB) and bandwidth. Intermediate cavities enhance bunching before the catcher cavity.

Multi-Cavity Klystron

Figure 4: Multi-cavity klystron with input cavity, multiple intermediate cavities, and output cavity for high gain amplification

Parameter Two-Cavity Reflex Klystron Multi-Cavity
Function Amplifier Oscillator High-gain Amplifier
Power Output 1 kW - 50 kW 10 mW - 500 mW 100 kW - 10 MW
Efficiency 20-40% 10-20% 30-60%
Gain 10-20 dB N/A 40-60 dB
Bandwidth 1-2% 0.1-1% 2-10%
Applications UHF TV, Radar Local Oscillator, Test Equipment Particle Accelerators, Radar

Key Components

1. Electron Gun

Produces a high-velocity electron beam through thermionic emission. Consists of:

  • Cathode: Heated emitter (typically oxide-coated or thoriated tungsten)
  • Grid/Anode: Controls beam current and focuses electrons
  • Focus Electrode: Shapes the electron beam

2. Resonant Cavities

Toroidal or cylindrical cavities that act as parallel LC resonant circuits at microwave frequencies. The gap spacing is critical:

Transit Angle: θ = ω × d / v₀

Where d = gap spacing, v₀ = electron velocity

Design Rule: Gap spacing is typically chosen so that the transit angle is less than π/2 (quarter cycle) to ensure effective interaction between electrons and RF field.

3. Drift Space

The field-free region between cavities where velocity modulation converts to density modulation. Length is optimized for maximum bunching:

Optimal Drift Length: L = v₀ × T_b / 2 = v₀ / (2f)

Where T_b is the bunching period

4. Collector

Captures the spent electron beam. May be depressed (at lower potential) to recover energy and improve efficiency.

5. Focusing System

Maintains beam collimation using:

  • Electromagnetic Coils: Solenoid magnets creating axial magnetic field
  • Permanent Magnets: For smaller tubes
  • Periodic Permanent Magnet (PPM): Alternating magnet poles for weight reduction
Physical Klystron Device

Figure 5: Physical klystron tube showing external magnet structure and waveguide connections

Interactive Klystron Calculator

Electron Velocity Calculator

Beam Voltage (V₀) 10 kV
Electron Velocity: 5.93 × 10⁷ m/s
Relativistic Correction: 0.02%

Bunching Parameter Calculator

RF Voltage (V₁) 500 V
Drift Distance (cm) 2 cm
Frequency (GHz) 3 GHz
Bunching Parameter (X): 1.84
Bessel Function J₁(X): 0.582
Theoretical Efficiency: 58.2%
Optimal Bunching: X ≈ 1.84 provides maximum power transfer!

Power Gain Calculator

Input Power (mW) 10 mW
Number of Cavities 2
Estimated Power Gain: 15 dB
Output Power: 316 mW

Applications of Klystrons

1. Radar Systems

Klystrons provide the high-power microwave pulses needed for long-range detection in:

  • Air traffic control radar (L-band and S-band)
  • Weather radar (C-band and X-band)
  • Military surveillance and tracking systems
  • Airborne intercept radar

2. Particle Accelerators

High-power klystrons (1-100 MW) drive accelerating cavities in:

  • Linear accelerators (Linacs) for medical therapy
  • High-energy physics research (CERN, SLAC)
  • Free-electron lasers
High Power Klystron

Figure 6: High-power klystron for particle accelerator applications showing multiple beam design

3. Satellite Communication

Used in ground station transmitters for:

  • Deep space communication (NASA DSN)
  • Broadcast satellite uplinks
  • Military satellite communication terminals

4. Broadcasting

  • UHF television transmitters (470-890 MHz)
  • Digital TV broadcasting (DVB-T)
  • FM radio broadcasting (as exciters)

5. Scientific and Industrial

  • Plasma heating in fusion research (tokamaks)
  • Materials processing (microwave sintering)
  • Medical equipment (linear accelerators for cancer treatment)
  • Electron paramagnetic resonance (EPR) spectrometers
Modern Development: Modern klystrons incorporate advanced features such as:
  • Extended Interaction Klystrons (EIK) for wider bandwidth
  • Multiple-beam klystrons for higher power density
  • Depressed collectors for improved efficiency (up to 70%)
  • Periodic permanent magnet (PPM) focusing for reduced weight

Practice Problems

Problem 1: Electron Velocity

A klystron operates with a beam voltage of 15 kV. Calculate the velocity of the electrons. Determine if relativistic effects are significant.

Problem 2: Bunching Parameter

A two-cavity klystron has V₀ = 20 kV, V₁ = 800 V, and drift space length of 3 cm. Operating frequency is 4 GHz. Calculate the bunching parameter and determine if the tube is optimally bunched.

Problem 3: Output Power

A klystron amplifier has I₀ = 2 A, V₀ = 25 kV, and operates with X = 1.84. The catcher cavity shunt impedance is 50 kΩ. Calculate the output power and electronic efficiency.

Problem 4: Reflex Klystron Modes

A reflex klystron operates at 10 GHz with V₀ = 600 V. Calculate the repeller voltage for the n = 2 mode (1¾ mode).

Study Tips:
  • Remember that optimal bunching occurs at X = 1.84 where J₁(X) is maximum
  • Electron velocity calculation is fundamental to all klystron problems
  • Always check if relativistic corrections are needed (v > 0.1c)
  • Understand the difference between velocity modulation (buncher) and density modulation (drift space)